
|
清水型 |
纸浆型 |
污水型 | |
|
泵体 |
HT200 |
HT250 |
根据溶液的PH值不同而定 |
|
叶轮 |
HT200 |
球墨铸铁 | |
|
轴 |
45# |
45# | |
|
泵盖 |
HT200 |
HT250 | |
|
密封 |
填料密封 |
填料密封或机械密封 |
填料密封或机械密封 |
|
型 号 |
额 定 性 能 |
功 率 |
皮带轮直径 |
重量 | |||||
|
流量 |
扬程 |
转速 |
效率(%) |
汽蚀余量(m) |
轴功率 |
配用功率(kw) | |||
|
150HW-5 |
180 |
5 |
1450 |
82 |
3 |
2.99 |
4 |
200 |
80 |
|
150HW-7 |
7 |
1450 |
82 |
4.2 |
4.48 |
5.5 |
80 | ||
|
150HW-12 |
12.5 |
1450 |
82 |
5.5 |
7.47 |
11 |
95 | ||
|
200HW-3 |
360 |
3 |
970 |
80 |
5 |
3.8 |
4 |
250 |
130 |
|
200HW-4 |
4 |
1075 |
81 |
5 |
4.9 |
5.5 | |||
|
200HW-5 |
5 |
1145 |
82 |
4 |
5.98 |
7.5 | |||
|
200HW-8 |
450 |
8 |
1450 |
83.5 |
4 |
11.5 |
15 | ||
|
250HW-3 |
450 |
3 |
725 |
80 |
4 |
4.5 |
5.5 |
280 |
195 |
|
250HW-4 |
485 |
4 |
865 |
82 |
4 |
6.5 |
7.5 | ||
|
250HW-5 |
540 |
5 |
970 |
82 |
4 |
8.97 |
11 | ||
|
250HW-8 |
680 |
8 |
1225 |
82 |
4 |
18.1 |
22 | ||
|
300HW-3 |
720 |
3 |
660 |
81 |
5 |
7.3 |
7.5 |
300 |
290 |
|
300HW-4 |
720 |
4 |
730 |
82 |
5 |
9.6 |
11 | ||
|
300HW-5 |
792 |
5 |
800 |
83 |
4 |
13.0 |
15 | ||
|
900 |
8 |
970 |
84 |
4 |
23.1 |
30 |
|||
|
350HW-4 |
920 |
4 |
730 |
81 |
4.5 |
12.35 |
15 |
300 |
360 |
|
350HW-5 |
1000 |
5 |
800 |
80 |
4.5 |
16.5 |
18.5 | ||
|
350HW-8 |
1000 |
8 |
970 |
85 |
5 |
25.35 |
30 | ||
|
400HW-7 |
1260 |
6.8 |
730 |
85 |
5 |
27.13 |
30 |
350 |
420 |
|
400HW-10 |
1400 |
9.9 |
730 |
85 |
5 |
43.88 |
55 |
480 | |

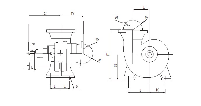
|
型 号 |
A |
B |
C |
D |
E |
F |
G |
I |
J |
K |
N |
L*d |
|
150HW-5 |
Φ225 |
8-Φ17.5 |
400 |
165 |
158 |
400 |
212 |
80 |
170 |
120 |
4-Φ18..5 |
44*Φ20 |
|
150HW-12 |
Φ225 |
8-Φ17.5 |
443 |
125 |
170 |
465 |
225 |
60 |
160 |
140 |
4-Φ18..5 |
56*Φ35 |
|
200HW |
Φ280 |
8-Φ17.5 |
455 |
190 |
180 |
500 |
265 |
100 |
220 |
150 |
4-Φ18..5 |
58*Φ35 |
|
250HW |
Φ335 |
12-Φ18 |
532 |
205 |
223 |
600 |
325 |
120 |
270 |
190 |
4-Φ18..5 |
83*Φ50 |
|
300HW |
Φ395 |
12-Φ24 |
617 |
280 |
278 |
735 |
385 |
150 |
330 |
230 |
4-Φ24 |
83*Φ50 |
|
350HW |
Φ450 |
12-Φ24 |
620 |
300 |
290 |
810 |
430 |
160 |
370 |
260 |
4-Φ24 |
83*Φ50 |
[上一个: HWZ型直联式混流泵]
[下一个: 稀土合金耐磨管]
靖江市万盛泵业有限公司
地址:江苏省靖江市西环地中海北门对面
电话:0523-84509093
传真:0523-84509093,84814758
联系人:刘先生 13952690119
销售部:张女士 18061028918
收藏本站
联系我们
网站地图





